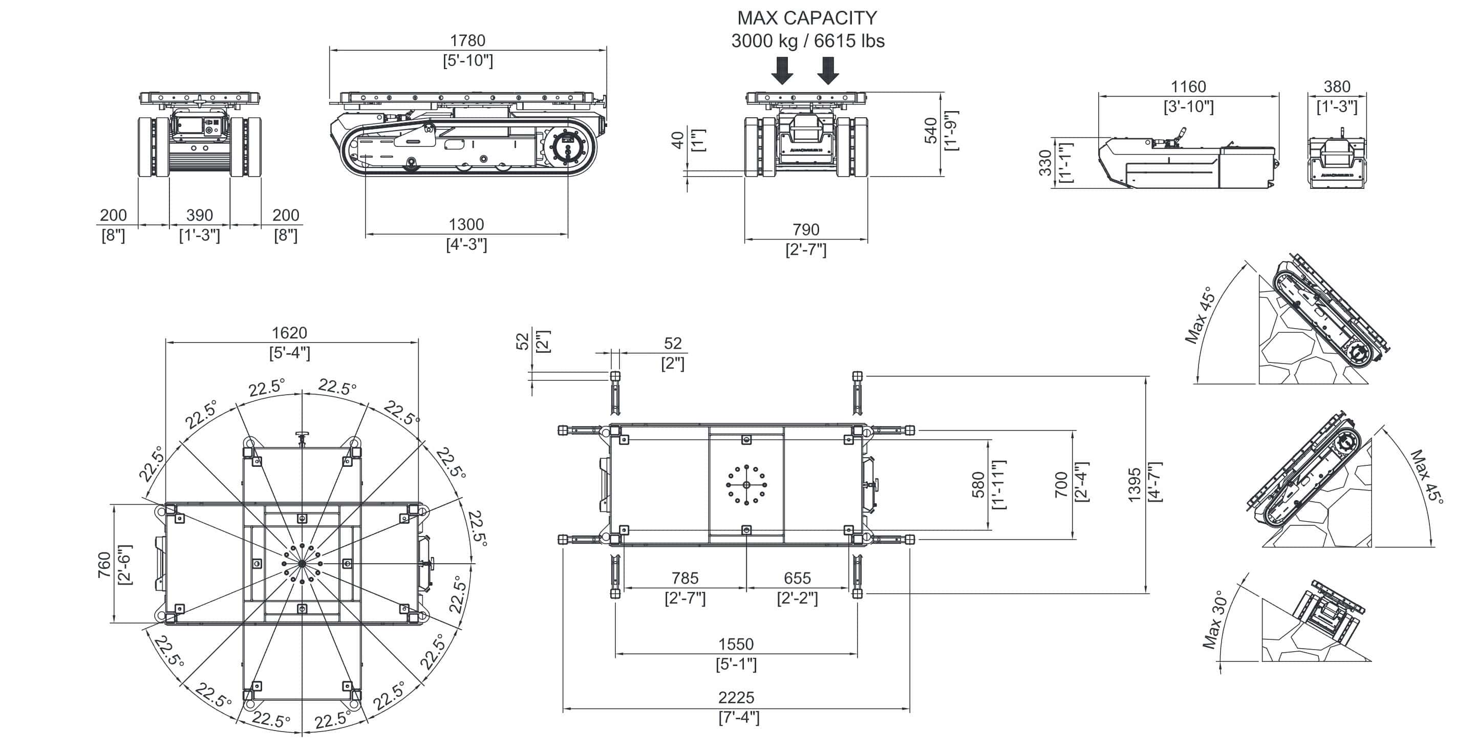
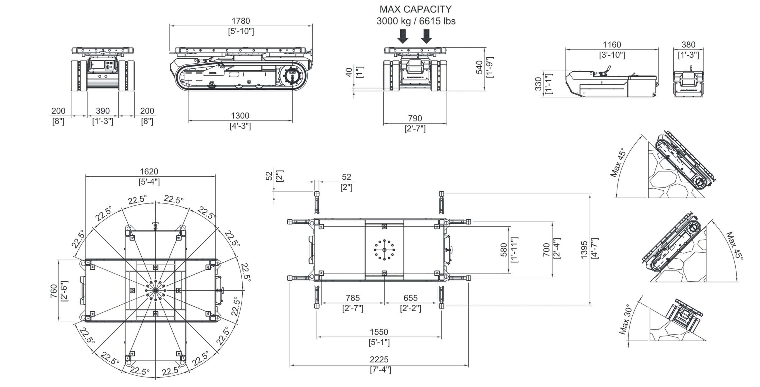
Nostokyky: 3000 kg
Min. Leveys: 0.79 m
Min. Korkeus: 0.54 m
ML 3.0 FX on tehokas ja monipuolinen telaketjualustainen lavetti, jota voidaan käyttää erilaisissa raskaissa sovelluksissa sekä sisällä että ulkona.
Siinä on luokkansa johtava sähkökäyttö, jossa on kaksi erittäin hiljaista 5,3 kW:n AC-sähkömoottoria (IP 67 -luokitus). Se voidaan varustaa AGM- tai litiumakuilla, ja siinä on kolme virranhallintakonfiguraatiota:
ECO 1,2 km/h
STD 1,8 km/h
POW 4,2 km/h
Täyssähkökäyttö
Täysin irrotettava akkupaketti
Jatkuvat teleskooppivarret
Kääntyvä alusta
Sopeutuvat rullat
Radio-kaukosäädin
Näytöllä ja kahdella akulla
Integroitu diagnostiikkajärjestelmä
12 V:n lisäpistorasia
Jälkiä jättämättömät kiskot
Hätävalot edessä ja takana
Kolme eri ajotilaa
PÄÄAJO / ED-S / DC-S
Kolme virranhallintakonfiguraatiota
ECO / STD / POW Automaattinen kallistushälytin nopeuden alentamalla
ML 3.0 FX:ssä on laaja valikoima täysin asennettavia, täysin itsenäisiä lisälaitteita, jotka laajentavat sen käyttöaluetta ja antavat kuljettajille mahdollisuuden saavuttaa enemmän.
Dumpperisarja – Asennettava dumpperisarja, jossa on pyörivä jalusta ja radio-ohjattava.
Dolly – Jatkotuki, auttaa kantamaan erittäin pitkiä kuormia helposti.
Monitoimirunko – Kaksipuolinen A-runkoinen teline ikkunoiden, tasolasin tai eristyslasielementtien turvalliseen kuljetukseen ja varastointiin.
NOSTINPAKKAUS – Nostinpakkaus on täysin irrotettava hydraulinen saksinostinpöytä, josta on saatavilla kaksi vaihtoehtoa: KML 1.0 – Yksivaiheinen, KML 2.0 – Kaksivaiheinen.
Akkuvaunupakkaus – Mukautetun suunnittelun mukainen vaunu akkupaketin helppoon poistamiseen ja varastointiin.
Metsä-, putki- ja kipsilevypakkaus – Pakkaus tukkien, putkien tai kipsilevyn turvalliseen kuljetukseen.
Takana vetokoukku – Takakoukku kuormien hinaamiseen.
Nosturipakkaus – Nosturi monitoimikuormaajaan 3.0 FX ja RT.

| Max Capacity | 3000 kg (<25°) |
| Max Capacity at max gradient | 2500 kg |
| Max longitudinal gradient | 45° |
| Max lateral gradient | 30° |
| Width | 790 mm |
| Length | 1780 mm |
| Track length | 1300 mm |
| Track width | 200 mm |
| Ground clearance | 40 mm |
| Platform ground height | 540 mm |
| Max speed | 4.2 km/h |
| Swivel platform | Standard |
| Power of electric motors | 10.6 kW |
| Voltage | 48 V |
| Ingress Protection IP | IP67 |
| Controller | Remote radio control |
| Non-marking tracks | Optional |
| LTH Battery pack | LTH 100Ah |
| LTH Recharging time | 4h – 20A |
| LTH Total weight | 800 kg |
| ELC Battery pack | AGM 100Ah |
| ELC Recharging time | 7h – 13A |
| ELC Total weight | 870 kg |