Tela-alustainen kuljetin » Almac MULTI-LOADER 3.0 RT

Almac MULTI-LOADER 3.0 RT

Täyssähköinen

Tela-alustainen kuljetin

Nostokyky: 3000 kg
Min. Leveys: 0.89 m
Min. Korkeus: 0.72 m

Lataa esite (PDF) Lataa lisävarusteiden esite (PDF)

Tela-alustainen kuljetin Alma Crawler Multi-Loader 3.0 RT

Täysin sähköinen telaketjualustan kuorma-auto, jonka kapasiteetti on 3000 kg

Multi-Loader 3.0 RT on suunniteltu työskentelemään vaikeammassa, epätasaisessa ja liukkaassa maastossa, jossa vaaditaan erinomaista maavaraa.

Hyvän 220 mm:n maavaran ansiosta se soveltuu työskentelyyn äärimmäisissä olosuhteissa.

Siinä on luokkansa johtava sähkökäyttö, jossa on kaksi erittäin hiljaista 5,3 kW:n AC-sähkömoottoria (IP 67 -luokitus). Se voidaan varustaa AGM- tai litiumakuilla, ja siinä on kolme virranhallinta-asetusta:

ECO 1,2 km/h
STD 1,8 km/h
POW 4,2 km/h

Pääominaisuudet

Täysin sähkökäyttöinen Täysin irrotettava akkupaketti
Maavara noin 220 mm
Jatkuvat teleskooppivarret
Kääntyvä alusta
Mukautuvat rullat

Vakio-ominaisuudet

Radio-ohjaus Varustettu näytöllä ja kahdella akulla
Sisäänrakennettu diagnostiikkajärjestelmä
12 V:n lisäpistorasia
Jälkiä jättämättömät kiskot
Hätävalot edessä ja takana
Kolme erilaista ajotilaa
PÄÄAJO / ED-S / DC-S
Kolme virranhallinta-asetusta
ECO / STD / POW Automaattinen kallistushälytin nopeudenalennuksella

Lisälaitteet

ML 3.0 RT:ssä on laaja valikoima täysin asennettavia, täysin itsenäisiä lisälaitteita, jotka laajentavat sen käyttöaluetta ja antavat kuljettajille mahdollisuuden saavuttaa enemmän.

Dumpperisarja – Asennettava dumpperisarja, jossa on pyörivä jalusta ja radio-ohjattava.
Dolly – Tuen jatkopala, auttaa kantamaan erittäin pitkiä kuormia helposti.
Multi-Frame – Kaksipuolinen A-runkoinen teline ikkunoiden, tasolasin tai eristyslasielementtien turvalliseen kuljetukseen ja varastointiin.
Lifter SARJA – Lifter Kit on täysin irrotettava hydraulinen saksinostinpöytä, joka on saatavilla kahtena vaihtoehtona: KML 1.0 – Yksivaiheinen, KML 2.0 – Kaksivaiheinen.
Metsä-, putki- ja kipsilevysarja – Sarja tukkien, putkien tai kipsilevyn turvalliseen kuljetukseen.
Takavetokoukku – Takakoukku kuormien hinaamiseen.
NOSTURIPAKETTI – Nosturi Multi-Loader 3.0 FX- ja RT-kuormaimille.

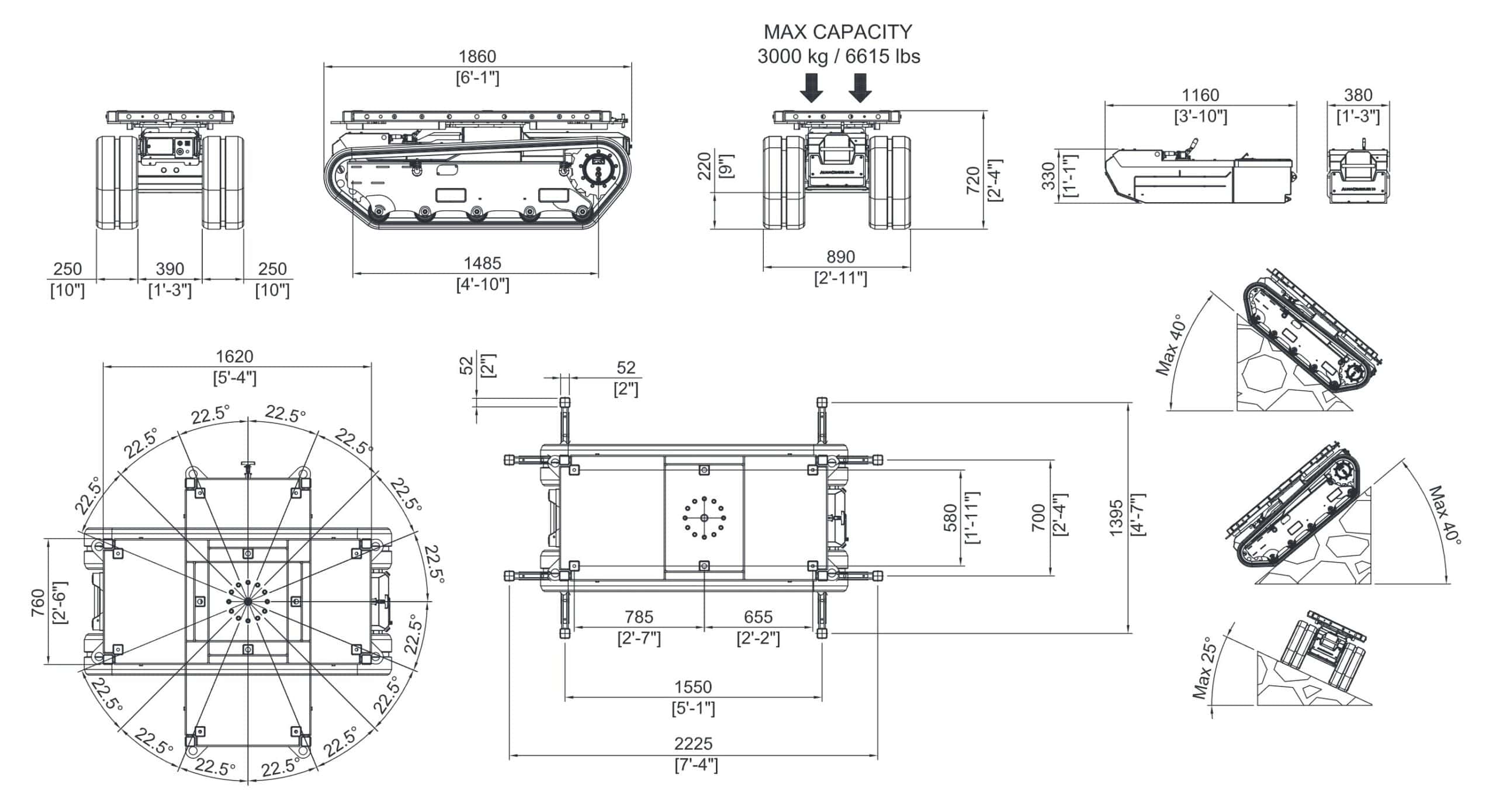
Max Capacity 3000 kg (<25°)
Max Capacity at max gradient 2000 kg
Max longitudinal gradient 40°
Max lateral gradient 25°
Width 890 mm
Length 1860 mm
Track length 1230 mm
Track width 250 mm
Ground clearance 220 mm
Platform ground height 720 mm
Max speed 4.2 km/h
Swivel platform Standard
Power of electric motors 10.6 kW
Voltage 48 V
Battery capacity & Type (ELC) AGM 100Ah
Battery capacity & Type (LTH) LTH 100Ah
Charger Input & Time (ELC) 7h – 13A
Charger Input & Time (LTH) 4h – 20A
Ingress Protection IP IP67
Controller Remote radio control
Non-marking tracks Optional
LTH Battery pack LTH 100Ah
LTH Recharging time 7h – 13 A
LTH Total weight 805 kg
ELC Battery pack AGM 100Ah
ELC Recharging time 7h – 13 A
ELC Total weight 975 kg
Almac BL-Line
saksinostimet
Almac JT-Line
puominostimet
Almac ML-Line
tela-alustaiset
kuljettimet
Almac tela-alustaiset kuljettimet

Ota yhteyttä

Tommi Kolehmainen
Henkilönostin myynti, coo
tommi.kolehmainen@simeri.fi
+358 400 514 374
WhatsApp
Jukka Koskinen
Henkilönostin myynti
jukka@simeri.fi
+358 400 990 988
WhatsApp
Pekka Kolehmainen
Senior advisor, mob
pekka.kolehmainen@simeri.fi
+358 400 440 431
WhatsApp
Kristo Liht
Henkilönostin myynti, Baltia
kristo.liht@simeri.ee
+372 502 0917
WhatsApp
Gert Kull
Henkilönostin myynti, Baltia
gert.kull@simeri.ee
+372 558 4665
WhatsApp

Jätä soittopyyntö

    Nostin:

    Nimi*:

    Puhelin*:

    captcha

    Bottivarmistus*:

    FINENGEST